傳感及泵閥類
貨號: #JC2 100X80X-E537
庫存: 10件
規格選項:

電動泵(JD型)

多級電動泵(JDM型)
產品信息 (50Hz)
產品信息 (60Hz)
通過使用青銅葉輪和不銹鋼主軸增強了耐腐蝕性。
0~100°C清水,pH5.8~8.6
| 腸衣 | 葉輪 | 主軸 |
|---|---|---|
| FC200 或 FC250 | CAC406(BC6) | JD:SUS304(3.7kW以下) SUS403 (5.5kW以上) JDM :SUS403 |
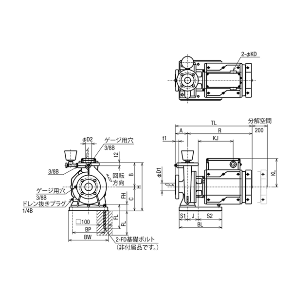
| 格式 | 按排放壓力分類 | 縮回尺寸 |
|---|---|---|
| 京東 | 排氣壓力:0.7MPa以下 | JIS 10K 薄型 |
| 排氣壓力:1.0MPa以下 | JIS 10K 并行 | |
| JDM公司 | 排氣壓力:1.0MPa以下 | JIS 10K 并行 |
孟塞爾 2.5PB4.6/0.8
200V、50/60赫茲
| 格式 | 輸出功率 (kW) | 電壓 (V) |
|---|---|---|
| 京東 | 0.25~3.7 | 200 |
| 5.5~11 | 200/400 雙電壓規格 | |
| JDM公司 | 2.2~7.5 | 200 |
| 輸出功率 (kW) | 發動機 | 電壓 (V) | 滿載電流 (A) 50/60Hz |
|---|---|---|---|
| 0.25 | 全封閉室外 | 200 | 1.3/ - |
| 0.4 | 全封閉室外 | 200 | 2.1/2.0 |
| 0.75 | 全封閉室外 | 200 | 3.3/3.3 |
| 1.5 | 全封閉室外 | 200 | 6.4/6.2 |
| 2.2 | 全封閉室外 | 200 | 8.8/8.6 |
| 3.7 | 全封閉室外 | 200 | 15.4/14.8 |
| 5.5 | 全封閉室外 | 200 | 22.4/21.4 |
| 7.5 | 全封閉室外 | 200 | 28.2/28.2 |
| 11 | 全封閉室外 | 200 | 40/40 |
注意:當前值可能會發生變化。
湖南中村貿易有限公司代理銷售品牌: 日本TRUSCO中山、ASADA淺田、SATO佐藤 、AMADA天田、MIYACHI米亞基、KITZ開滋、日本閥天VENN桃太郎、YASHIYAMA樫山工業、hondakiko本多機工泵、EIM泵、kawamoto川本泵、hitachi-pump日立泵、terada寺田泵、aichi-pump愛知真空泵、日本SOGO PUMP相互水泵、ARIMITSU有光泵、NOPGROUP日本油泵、NISHIGAKI西坦泵、KYORITSUKIKO共立機巧、daidopmp大同機械、TERAL泰拉爾、SANRITSUKIKI三立機器、EBARA荏原、V-TEX真空閥門、HORIBA、Osakavacuum大阪真空機器制作所、ATEC 愛泰克、TSUTSUI筒井理化學、FREEBEAR福力百亞、ISB井口機工、OTC焊條、SHIMIZUKOGYO 清水、YUKEN油研、Panasonic松下焊條、FUSO SEIKI扶桑精肌、HOZAN寶山、VESSEL威威、SSD西西蒂、BONKOTE邦可、MALCOM馬康、METCAL奧科、PISCO碧鑠科、OHTAKE大武、OPK鷗琵凱、ELM易之美、HAKKO EIGHTRON八興、KURABO、New-Era新時代、德國KAISER+KRAFT皇加力、YODOGAWA淀川、SUIDEN瑞電、TECHNO DESIGN、AQUA安跨、ORION好利旺、韓國SP、FURUTO古藤、SOKUDOU速度、KANE凱恩、日本KYORITSU共立理化
日本ADA水分計/微量電子天平 日本KETTI水分計 日本愛森(EISEN)針規、日本三高(SANKO)膜厚計、理研(RIKEN)水平儀、日本佐藤(SATO)溫濕度計、TASCO溫濕度記錄儀、JPG(螺紋環規、塞規)、日本東日(TOHNICHI)、思達(CEDAR)扭力工具、日本勝利(VICTOR)鉗子、氣剪、SHINANO(信濃打磨機,拋光機)、SHOWA昭和振動計、日本中西(NSK)研磨工具、MINIMO研磨工具、日本愛光(AIKOH)、日本依夢達(IMADA)、SUCCESS成功推拉力計和引張力試驗機,日本大冢(OTSUKA)放大鏡、日本必佳(PEAK)放大鏡、日本得樂(TECLOCK)量具